
Accelerate your move to a high performance 48V power delivery network
This eBook provides guidance on designing 48V power delivery networks to enhance the performance, efficiency, and reliability of industrial products
A hybrid power module-driven architecture enables a tethered surveillance drone to detach and freely track objects.
Technological developments in tethered UAVs have opened up new possibilities for border patrols, live streaming events, temporary communication towers, low-altitude satellite surveillance and much more. Many more applications are on their way, where thereis a need for unlimited flight time and reliability, with the flexibility to detach the tether for range when needed.
Tethered drones and UAV (unmanned aerial vehicle) technology are part of a market that is growing at a significant rate. Technavio, a market analysis company, has estimated a CAGR of over 70% in the coming years. Growth drivers include communications and security where drones can be rapidly deployed to establish robust channels while also being able to cover broad areas.
Flyfocus is a company specialized in the design and manufacture of ground-connected unmanned aerial vehicles. The latest developments in the field of power electronics have enabled the company to optimize their latest tethered drone systems to improve payloads, flight times and safety. Tethered drones have special features such as fast data transmission, the possibility of continuous charging of the battery, greater control and maximum safety. Flyfocus’s new CableGuard can soar to altitudes up to 70 meters in tethered mode.
One of the major challenges for a tethered drone is the physical design of the tether cable. It must be capable of delivering power to the rotor drive motors, control electronics and on-board battery, while also being strong enough to secure the drone and light enough to avoid being a safety concern when the tether is detached for free flight. A light cable also reduces the load on the drone, resulting in greater efficiency and longer flight times.
The advent of tethered drones began in 2016 as they were involved in the military system. A tethered drone is an unmanned aerial vehicle tethered to the ground. It consists of a base station on the ground and the drone, which is connected to the station through the tether (cable). The drone can be operated remotely to perform specific tasks. Tethered drones can be used for various applications, although most of them are focused on aerial observation and telecommunications. In particular, tethered UAVs are perfect for data capture and telemetry due to the reliability of tethered connections.
By starting with the tethered drone and following the cable connection backward, anyone, at any time, can have an idea of who the owner is. On the surface, this may seem secondary to security, but the image of the leash itself, combined with the certainty of the owner, can be reassuring to people nearby. However, the connecting cable also has advantages for the owner: if the flight system suddenly goes awry, the tethered drone will remain secure.
One of the major challenges for a tethered drone is power management involving the rotor drive motors and control electronics. Having power flowing through a long cable introduces transmission losses that must be compensated. The objective of the cable (transmission line) is to keep the drone at a predefined height and to guarantee power and data transmission. Constraints on thickness and length are also linked to the application. Each transmission line can be considered as composed of infinite elements of infinite length.
The combination of a lighter tether cable and lighter, space-efficient power electronics are enabling UAVs to have unlimited flight time.
The proper design of a power delivery network overcomes the opposing requirements of a thinner, lighter cable for safety, and a thicker, heavier cable for transmitting power. Architecting a PDN to deliver a highvoltage (e.g., 800VDC) over the cable significantly reduces transmission losses, enabling the use of a thinner cable, as well as allowing for longer cables to increase UAV performance. High-density Vicor power modules on the drone itself convert the high voltage to lower voltages used by the drone’s motors and electronics. The light weight and small size of Vicor modules allow that conserved payload space to be used to increase drone functionality.
Flyfocus uses Vicor BCM® modules that typically provide 98% efficiency capable of delivering 1,750 W at 48V on an input voltage of 400VDC. BCMs are available in ChiP™ or a Vicor Integrated Adapter (VIA™) package, which simplifies cooling as well as providing integrated PMBus® control, EMI filtering, and transient protection. High efficiency is ensured by the fact that these converters are fixed-ratio devices or referred to as bus converters and do not incorporate output voltage regulation. These types of converters are suitable for bidirectional power conversion.
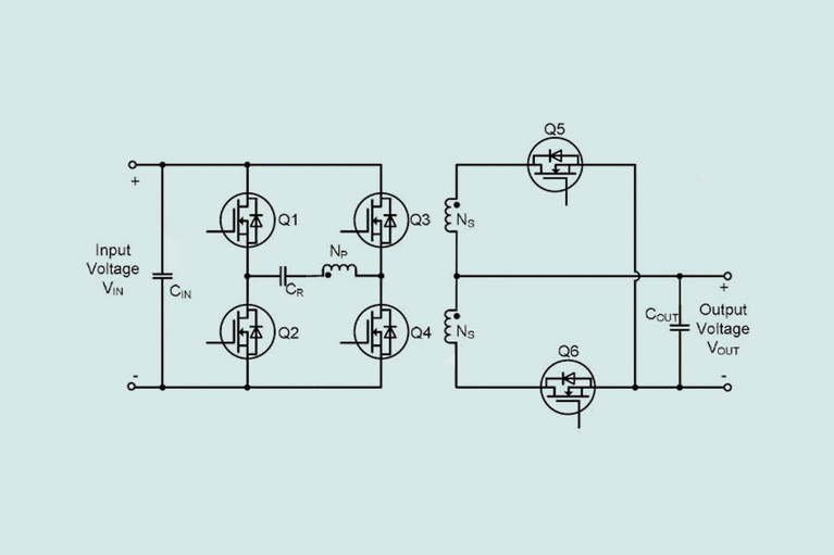
The Vicor BMC family employs the sinusoidal amplitude converter (SAC™) topology to provide high levels of conversion efficiency. While most DC-DC converter topologies employ PWM techniques to control the secondary power output, the SAC provides an elegant method of solving switching loss challenges that limit PWM frequency. The goal of SAC is to reduce the generation of noise harmonics, thereby improving efficiency through lighter and smaller components. The low EMI reduces the use of filtering components. This type of converter uses a square wave signal in the order of MHz, much higher than classic PWM and with amplitude to match the output loads.
Figure 1: A simplified layout of a SAC converter.
Figure 2: Block diagram of the power system for tethered drones.
The Flyfocus spokesperson highlighted how a power management configuration is important to the success of the project. Figure 2 shows our configuration using the Vicor BCM6123 provides isolation and a 48VDC bus supply from 400VDC for the drone’s internal electronics. By using this technology, Flyfocus was able to achieve a total weight of the power converter to less than 200 grams.
Figure 3: Ground control system in rugged plastic case up to 6h of work on inbuilt battery (Source: Flyfocus).
Tethered drone technology is gaining momentum as a power configuration that delivers high efficiency with low weight allows UAV designers to maximize payload capacity and reduce tether drag.
This article was originally published by EETimes Europe.
Accelerate your move to a high performance 48V power delivery network
This eBook provides guidance on designing 48V power delivery networks to enhance the performance, efficiency, and reliability of industrial products
Build better UAVs using modular power
Power Delivery Networks (PDN) based on Vicor high performance power modules enable innovative designs for the next generation of UAV development
High-density, high-power modules enable lighter, safer, lower cost tether cables to extend missions
This class of unmanned vehicle is powered and controlled via a tether from a ground-based power source assisting in extended missions
High-efficiency, high-density modules free up space for advanced communications and extend range
High-efficiency class of UAV depend on solar power to meet its long flight time requirements






